四虎电影院在线观看,一区2区3区在线看,久久久久久久免费

產品目錄
聯系報價
緊急熱線
聯系銷售
服務與解決方案
翼凱機械為耐磨材料解決方案專家。我們竭誠為您產線提供一站式耐磨材料解決方案服務和科學解決方案,同時為您節省成本以及精力。向您提供專業的解決方案是我們的強項。上海翼凱機械設備有限公司積極帶給您國內外的材料技術解決方案,同時還為您提供專業的技術指導以及支持服務。
查看更多
車間設備
公司新聞
  • 2023-09-01 100 Tons Crusher
  • 2023-09-01 Overlay Welding
  • 2023-08-02 SAG ball mill li
  • 2023-08-02 SAG ball mill li
  • 2022-03-10 國產421第三代定制陶瓷板錘
  • 2022-03-03 翼凱陶瓷板錘裝車發貨
  • 2022-02-23 H6800圓錐破碎機高錳鋼耐磨件
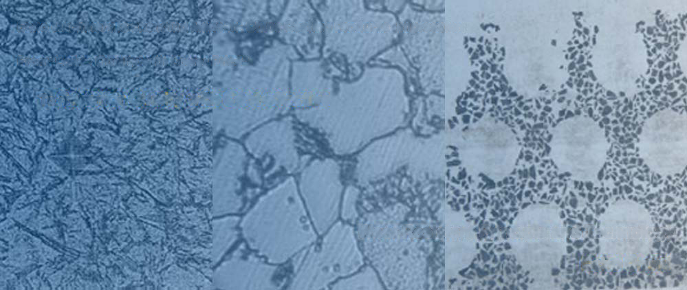
質量控制
查看更多>>
我們嚴肅認真對待產品質量!翼凱機械質量控制體系控制產品原材料,化成成份,尺寸精度,金相組織,產品內部以及表面質量等。產品的質檢標準嚴格按照國標GB,也可以美標ASTM等其他執行并驗收。
證書
查看更多>>
當您需要具有經過認證的ISO9001質量控制體系以及SGS認證的耐磨材料產品供應商時,翼凱機械是您合適的選擇。我們有強烈的質量控制意識以及完善的質量控制體系。 所有的產品合格后,方可入庫發貨。
客戶反饋
查看更多>>
翼凱機械始終與客戶保持良好的溝通,聽取他們對我們產品質量的反饋。我們希望通過客戶反饋來完善我們的產品 … 查看更多
诏安县 涞源县 怀远县 黎川县 古丈县 光泽县
青川县 宜城市 衡水市 白朗县 临西县 自贡市
昭觉县 和田县 河东区 宁武县 开化县 涟水县
泛站蜘蛛池模板: 福贡县| 历史| 余江县| 青河县| 中卫市| 建平县| 德江县| 阳春市| 手机| 金秀| 库伦旗| 武平县| 邻水| 东兰县| 腾冲县| 潼南县| 友谊县| 襄垣县| 霍林郭勒市| 彭州市| 焦作市| 清原| 兴宁市| 肇东市| 台州市| 萨迦县| 通道| 双牌县| 铁力市| 桐梓县| 丹阳市| 梁河县| 湖州市| 罗江县| 巴楚县| 辽源市| 建瓯市| 兴山县| 临桂县| 苍溪县| 贵港市|